Thern Cranes and Winches  

Thern Liberty Series Capstan Winch
Up to 2,000 lbs. Capacity

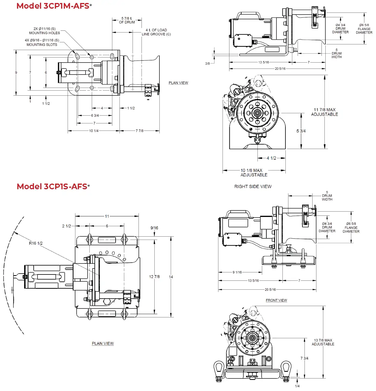
3CP1S-AFS (Swivel Mount)
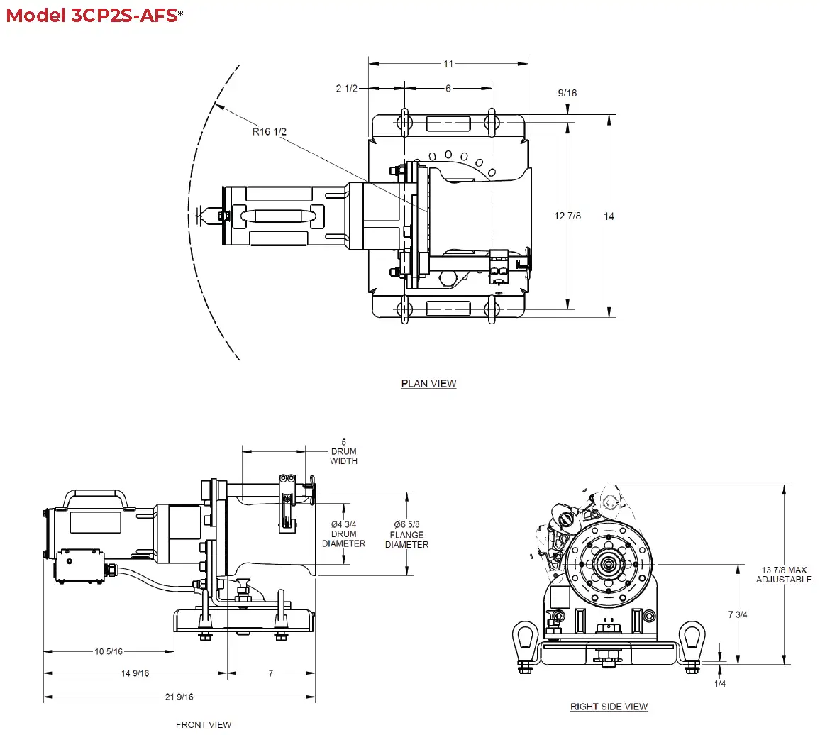
3CP2S-AFS (Swivel Mount)
3CP1M-AFS (Fixed Mount)

The Thern Capstan Winch delivers portable power and performance with load capacities up to 2,000 lbs. It features a maintenance-free, permanently lubricated, planetary gearbox for smooth operation and long life. The light weight, engineered design and steel construction and enclosed motor housing, powder-coat finish and corrosion-resistant components ensure dependable operation. It's integrated swivel base delivers portable power for lifting, pulling, and tensioning at multiple angles. They are designed for use in forestry, mining, construction, demolition as well as marine applications.

Key features:
Quiet Operation and Long Life
2,000 lb, Capacity (900 kg)
Extremely Portable
Enhanced Safety
Increased Productivity
Maintenance-Free
Two-year Warranty

warning

Liberty Series Capstan Winch

Request A Quote

2 Year Warranty *Optional 5 Year Warranty Available